Bonjour à tous,
Je rencontre actuellement une limitation sur SolidWorks 2025 concernant les tolérances géométriques (cadres de tolérance / FTF).
Contexte :
Dans les versions récentes de SolidWorks, lors de la création d’une tolérance géométrique :
-
le champ de tolérance (2ème case) est strictement numérique
-
il est impossible d’y entrer du texte
-
il est également impossible de laisser la case vide
Or, dans certains cas (notamment en contexte pédagogique BTS CPI), j’ai besoin d’indiquer des désignations comme :
-
ITF1
-
IT01
-
etc.
Ces informations ne sont pas des valeurs numériques, mais des indications spécifiques.
Ce que j’ai constaté (très intéressant) :
Après plusieurs tests :
-
J’ai ouvert une ancienne mise en plan (datant d’environ 2010)
-
Cette mise en plan contient des tolérances avec du texte (ex : ITF1 directement dans le cadre)
-
En copiant une de ces tolérances dans SolidWorks 2025 :
j’accède à un ancien menu de tolérance
et il est toujours possible d’entrer du texte libre dans les cases
Problème :
-
Ce comportement semble être un mode legacy (ancien système conservé)
-
Il n’est pas possible de créer ce type de tolérance depuis zéro
-
La seule solution actuelle est :
-
copier une ancienne tolérance existante
-
puis la modifier
-
Ce fonctionnement est clairement peu pratique et non viable au quotidien
Mes questions :
-
Existe-t-il une option pour réactiver l’ancien comportement ?
-
Ce changement (post SW 2021) est-il volontaire et définitif ?
-
Y a-t-il une méthode propre pour intégrer ce type d’information dans un cadre de tolérance ?
-
Peut-on forcer l’utilisation de l’ancien éditeur de tolérances ?
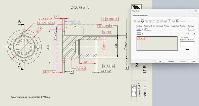
Illustrations :
Je joins :
-
un exemple de ce que je souhaite obtenir
-
le menu actuel (SW 2025)
-
l’ancien menu accessible via copie
Ancienne mise en plan et ancien menu :
Nouveau menu :

Objectif :
Pouvoir intégrer des désignations comme « ITF1 » directement dans le cadre de tolérance, sans passer par des solutions de contournement (notes externes, superposition de texte, etc.).
Merci d’avance pour vos retours ![]()




