Hello
I have two questions:
How do I insert geometric tolerances into the 3D, the centering symbol and find them in the drawing? (with solidworks)
Is this possible with all the annotations?
Thank you.
Hello
I have two questions:
How do I insert geometric tolerances into the 3D, the centering symbol and find them in the drawing? (with solidworks)
Is this possible with all the annotations?
Thank you.
Hello and welcome xavier_gasdeblay_1,
Indeed it is possible, I am discovering it now.
I did this test with SW2022SP4, I think it's feasible in other versions.
=>


I simply added dimensioning directly in the 3D, I make my MEP by automatically enclosing the dimensioning that comes from the 3D, on the other hand I search with the annotations... To be continued
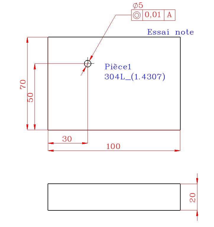
In response to @Silver_Surfer , here are some pictures that explain a little how this is possible: =>



@+.
AR.
Hi Silver_Surfer,
I simply added dimensioning directly in the 3D, I make my MEP by automatically enclosing the dimensioning that comes from the 3D, on the other hand I search with the annotations...
Thank you Silver_Surfer @+.
AR.
Hello;
For 3D annotations:
And to retrieve them in the drawings:
So, basically, everything will depend on the choice of the annotation view in the 3D...
… and the choices made in the import of the objects of the model:
As a colleague pointed out to me, no I don't ramble, no I don't ramble, no I don't ramble, ... What? Oh, yes... at least not yet.
The new location of Solidworks' online help does not make it easier to read them from their links... they all look the same now...
Thank you for your answers
Hi xavier_gasdeblay_1,
You have to close the subject by clicking, see screenshot=>

@+.
AR.